SHAANXI SILK ROAD INDUSTRIAL CO.,LTD
Valve Actuators: Pneumatic Actuators, Hydraulic Actuators, Electric Actuators, ...
Valves: Ball Valves, Butterfly Valves, Gate Valves, Check Valves, Globe Valves, Control Valves, ...
Accessories: limit switch, manual override, solenoid valves, air units (air filter, regulator, air set), ...
E-mail: info@aolangco.com
Current Location: vtovalve >> Products >> Accessories >> Limit Switch >> ALS300PP22 Limit Switch Box, ALS300PP22 Series Valve Monitor

ALS300PP22 Limit Switch Box, ALS300PP22 Series Valve Monitor
Product Name
Limit Switch Box, Valve Monitor
Model No.
ALS300PP22
Overview
The ALS300PP22 Limit Switch Box (Valve Monitor) is a rotary position indication device. Armed with inductive sensors, this device can sense valve positions (on/off) for remote PLC or PC indication. The visual indicator on the top of the device can also clearly display the valve position for local detection.
Approved

Specifications And Technical Data
| Enclosure | Die-casting aluminum: O-ring sealed |
| Coating | Dichromate conversion with polyester powder coating |
| O-rings | Buna N |
| Environment | Type 4, 4X, IP67 |
| Fasteners | Stainless steel |
| Shaft | Stainless steel Namur |
| Conduit Entries | Two 1/2" BSPP |
| Also available with two 1/2" NPT, M20-1.5 | |
| Terminal Strip Contacts | 8 |
| Mounting Bracket | MB - 3.4: 30 x 80, 130 H : 20, 30 (Carbon steel) |
| Temperature Rating | -20℃ ~ 85℃ |
| Sensor: 2 P+F NCB2-V3-NO Inductive Sensors NAMUR (2 wire) | |
| Model No. | PP22 |
| Operating Voltage | 8 VDC, <=1mA |
| Operating Temp. | -25℃~+85℃ |
| Area Classification | Intrinsically safe, Exia II CT6 |
Wiring Diagram

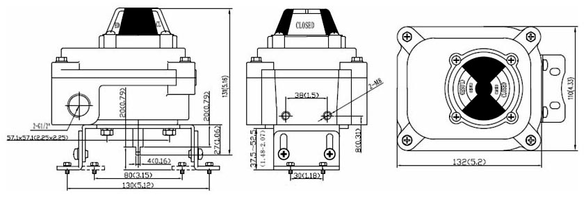
Drawing and Dimension

- Valve Automation
- • Hydraulic Valves
- • Pneumatic Valves
- Actuators
- • Hydraulic Actuators
- • Pneumatic Actuators
- • Electric Actuators
- Valves
- • Ball Valves
- • Butterfly Valves
- • Gate Valves
- • Globe Valves
- • Check Valves
- • Control Valves
- • Plug Valves
- • Solenoid Valves
- • Diaphragm Valves
- • Pinch Valves
- • Angle Seat Valves
- • PVC Valves
- • Safety Valves / Relief Valves
- • Special Valves
- Accessories
- • Manual Override
- • Positioners
- • Limit Switch
- • Solenoid Valves
- • Air Preparation Unit
- • Connectors ┆ Adapters
- Valve Fittings
- • Flanges
- • Ball
- • Valve Stem
© aolangco.com All rights reserved.
